-
-
轉子泵RP
產品型號:轉子泵RP
1、RP系列轉子泵低噪音,并改善了音質。
2、緊湊型,使泵體緊湊并更易于操作。低脈動。
3、高可靠性,由于采用了密團結構,軸不伸出機殼外不需要油密封,也不會發生漏油,此外由于采用了油冷卻結構,電機線圈的溫升很小。
- 產品介紹
- 規格參數
RP系列轉子泵型號說明

RP系列轉子泵技術規格
RP系列轉子泵控制方式

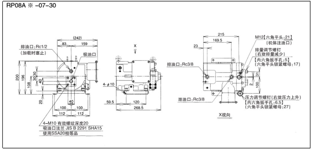
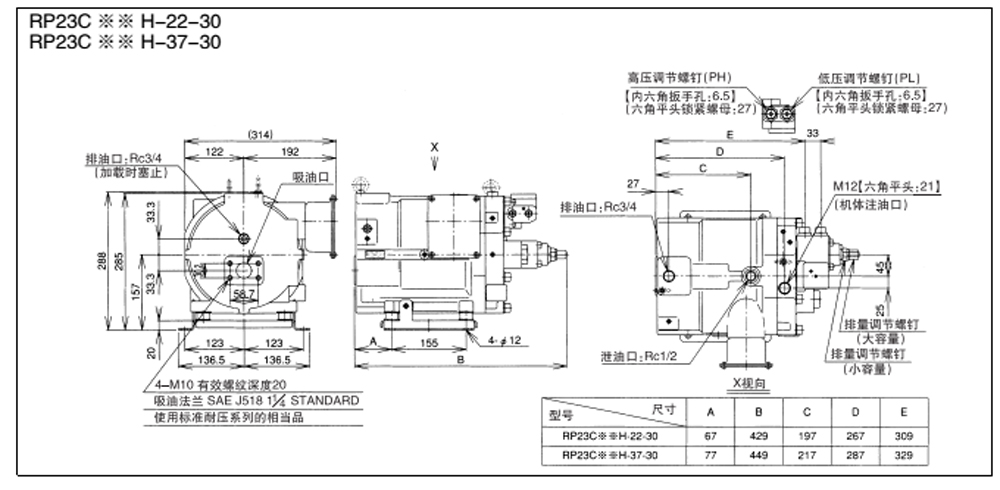
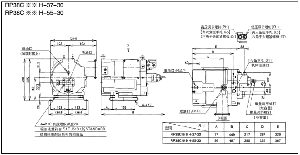
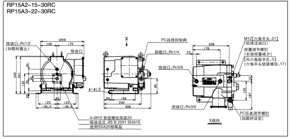
轉子泵RP尺寸圖
轉子泵RP08A*-07-30下載 RP08A2-07-30RC尺寸圖下載
轉子泵RP15A*-15/22-30尺寸圖下載 轉子泵RP15A2/3-15/22-30RC尺寸圖下載
轉子泵RP15C**H-15/22-30下載 轉子泵RP15C**J*-15/22-30尺寸圖下載
轉子泵RP23A*-22/37-30尺寸圖下載 轉子泵RP23A2/3-22/37-30RC尺寸圖下載
轉子泵RP23C**H-22/37-30尺寸圖下載 轉子泵RP23C**J*-22/37-30尺寸圖下載
轉子泵RP38A*-37/55-30尺寸圖下載 轉子泵RP38A2/3-37/55-30RC尺寸圖下載
轉子泵RP38C**H-37/55-30尺寸圖下載 轉子泵RP38C**J*-37/55-30尺寸圖下載
