-
-
AR型可變排量柱塞泵
產品型號:AR型可變排量柱塞泵
可變排量柱塞泵AR采用合金材料,具低噪音、省能源特性。裝配容易,可直接與電動馬達連接,外行美觀,小巧輕化。
- 產品介紹
- 規格參數
可變排量柱塞泵AR型號說明
可變排量柱塞泵AR特性規格表
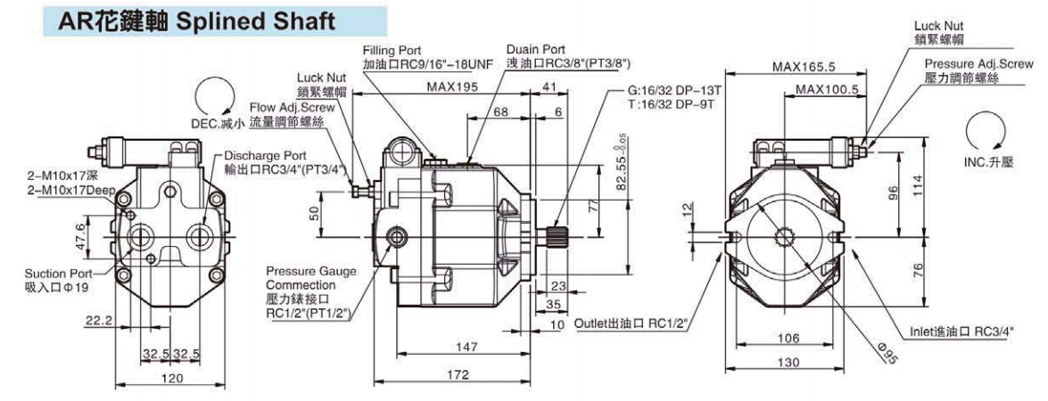
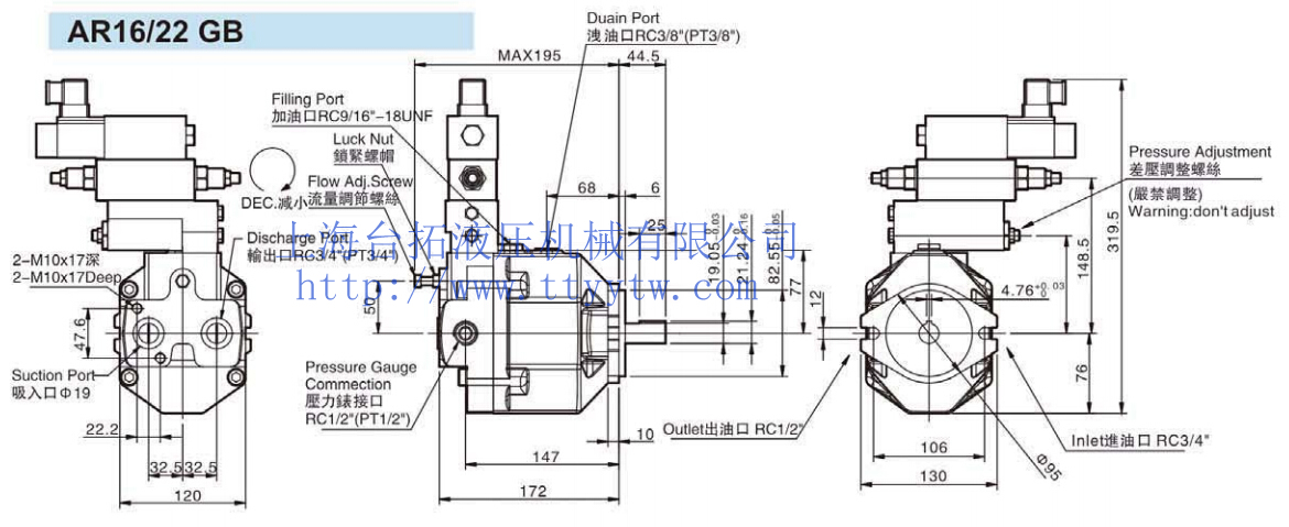
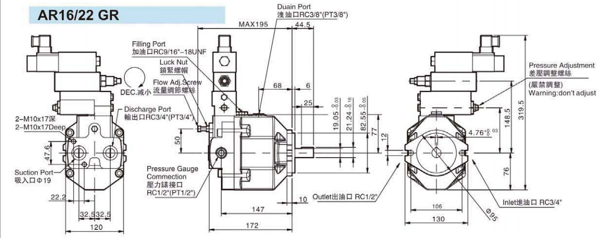
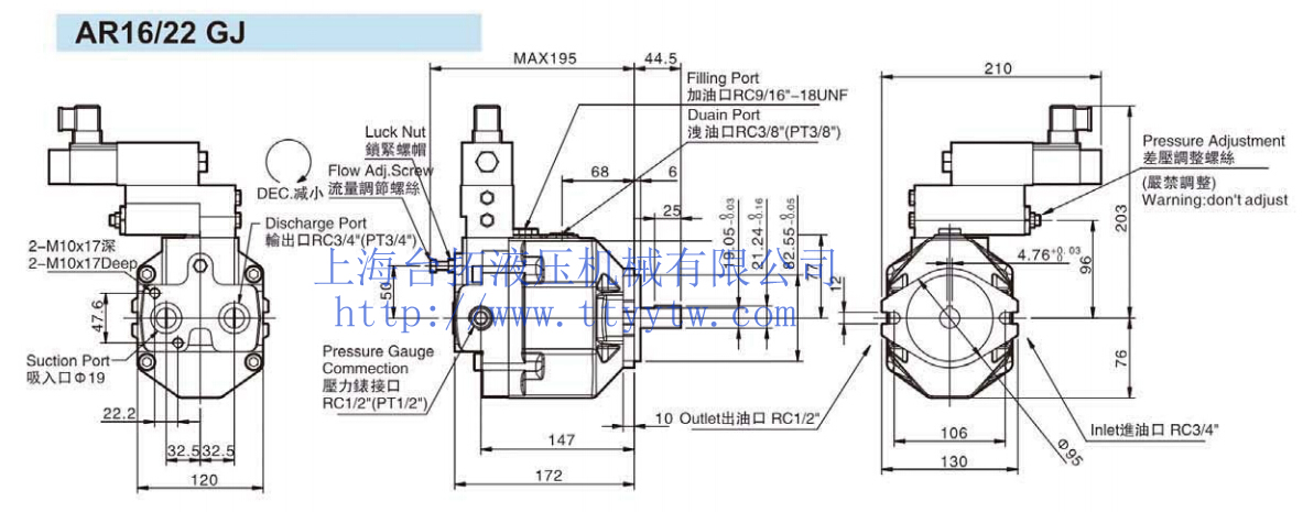
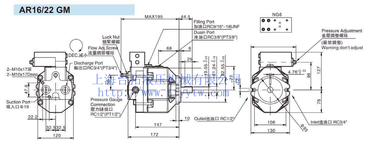
可變排量柱塞泵AR尺寸圖
可變排量柱塞泵AR16/22 01尺寸圖下載 可變排量柱塞泵AR16/22 G尺寸圖下載
可變排量柱塞泵AR16/22 HL尺寸圖下載 可變排量柱塞泵AR16/22 GJ尺寸圖下載
可變排量柱塞泵AR16/22 GR尺寸圖下載 可變排量柱塞泵AR16/22 GB尺寸圖下載
可變排量柱塞泵AR16/22 GC尺寸圖下載 可變排量柱塞泵AR16/22 GM尺寸圖下載
可變排量柱塞泵AR花鍵軸尺寸圖下載
